IMX708-120-Camera-B
The IMX708-120 Camera Module is a camera sensor module based on the Sony IMX708 sensor, compatible with the Raspberry Pi series of motherboards. It features a 120° wide field of view, combining clear imaging with a broad capture range, suitable for various shooting scenarios. The module can be used with the standard Camera Module 3 base board and also supports custom base board development.
The IMX708-120 Camera (B) uses a Waveshare custom base board paired with the IMX708-120 Camera Module. It has the same dimensions as the Camera Module 3 and is compatible with the libcamera library, as well as the Picamera2 and rpicam-apps libraries developed on top of it, allowing for quick development without additional debugging. It also includes an integrated autofocus function for precise, sharp images, combining convenience with professionalism and ease of use.
| SKU | Product |
|---|---|
| 34274 | IMX708-120 Camera Module |
| 34276 | IMX708-120 Camera (B) |
Specifications
| Category | Parameter |
|---|---|
| Sensor | Sony IMX708 |
| Pixel | 11.9MP (4608 x 2592) |
| Focus Method | I2C controller, supports autofocus |
| CMOS Size | 7.4mm |
| Focus Range | 15cm ~ ∞ |
| Aperture | F2.2 |
| Focal Length | 3.08mm |
| Diagonal Field of View (FoV) | 120° |
| IR Cut Filter | Built-in |
| Operating Temperature | 0°C ~ 50°C |
| Supported Devices | Compatible with all Raspberry Pi motherboards |
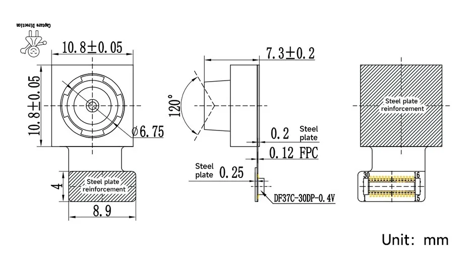
Dimensions
- IMX708-120 Camera Module Dimensions
- IMX708-120 Camera (B) Dimensions



