ISX031-GMSL-Camera-HX
The ISX031-GMSL-Camera-Hxx camera module is designed based on the Sony automotive-grade CMOS image sensor ISX031. It integrates a high-performance image processor and the Maxim GMSL2 serializer (MAX96717), providing a stable and reliable image capture solution for automotive and intelligent sensing applications. This module features an ultra-high dynamic range (HDR) of up to 120dB, enabling clear imaging even in complex environments with direct strong light or extreme contrast. It also maintains excellent dark noise performance, significantly enhancing image quality in low-light and nighttime scenarios. The optical system utilizes multi-element aspherical all-glass lenses, effectively suppressing distortion and aberrations to ensure consistently clear and sharp images in diverse and changing application environments. The built-in ISP image processing chip supports real-time image optimization, including intelligent noise reduction and color calibration, further improving imaging consistency and stability. Combined with its waterproof design, this camera module is suitable for demanding outdoor and automotive environments, making it widely applicable in autonomous driving, ADAS, automated perception, and similar applications.
| SKU | Product |
|---|---|
| 33902 | ISX031-GMSL-Camera-H100 |
| 33903 | ISX031-GMSL-Camera-H190 |
Specifications
| Camera Model | ISX031-GMSL-Camera-H60* | ISX031-GMSL-Camera-H100 | ISX031-GMSL-Camera-H120* | ISX031-GMSL-Camera-H190 | |
|---|---|---|---|---|---|
| Sensor | Model | 2.95MP ISX031 RGGB | |||
| Resolution | 1920 × 1536 | ||||
| CMOS Size | 1/2.4inch | ||||
| Pixel Size | 3.0um × 3.0um | ||||
| Lens | Field of View (H × V) | 64.9° × 50.6° | 100.0° × 78.5° | 118.54° × 91.56° | 197.0° × 162.3° |
| Focal Length | 5.3mm | 3.47mm | 3.02mm | 1.14mm | |
| Aperture | 2.0 | 1.8 | 2.0 | ||
| Core Performance | ISP | Built-in | |||
| Frame Rate | 1920 × 1536@30fps (Typical) | ||||
| Dynamic Range | 120dB | ||||
| Output Format | YUV422@8bit | ||||
| Serializer | Model | MAXIM MAX96717 | |||
| I2C Address | 0x80 (8-bit address) | ||||
| GMSL2 Rate | 6Gbps | ||||
| Interface & Environment | Camera Interface | GMSL2 (Amphenol Fakra Z-Type Plug) | |||
| Operating Voltage | 9 ~ 12V PoC | ||||
| Operating Temperature | -40℃ ~ 85℃ | ||||
| Protection Rating | IP67 | ||||
| *: For inquiries regarding the ISX031-GMSL-Camera-H60 and ISX031-GMSL-Camera-H120 versions, please contact our Sales for more information. | |||||
Hardware Specifications
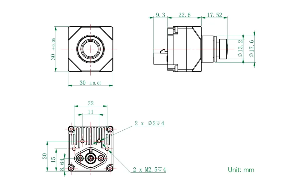
Dimensions

